The authors want to thank Chandresh Olaniya, Principal Cloud Specialist, Oracle, for his contributions.
Indian Farmers Fertiliser Cooperative Ltd. (IFFCO) is the world’s largest manufacturer and marketeer of fertilizers in the cooperative sector. It serves over 35,000 cooperatives and 55 million farmers across India. IFFCO has five manufacturing plants in India and 19 joints ventures within India and overseas. It has been using Oracle products for decades and using Oracle Cloud Infrastructure (OCI) more recently to modernize its IT estate.
Empowering farmers with nano urea
IFFCO wants to bring innovative ideas to market to improve the livelihood of farmers in India. To this end, it recently innovated and launched first of its kind nano urea, portable 500 ml (16.9 fl oz) bottled nano urea that replaces 45 kg (99.2 lb) urea bags. Nano urea improves crop yields by 8–10%, reduces pesticide and chemical fertilizer use, and mitigates soil erosion. The product also cuts farmers’ spending on urea by half.
Nano urea brings new demands to IFFCO’s cloud computing needs. The organization needs a reliable cloud vendor to support the processes of 6–7 new manufacturing plants during the upcoming year, enhancing its production capability 300–350 million bottles of nano urea to meet increasing demand.
Business challenges
IFFCO’s cloud adoption is driven by a need to innovate. With cloud infrastructure, the organization wanted capabilities for a dynamic business that can adapt to the changing needs of the market while growing fast. IFFCO wanted to shorten innovation cycles, but it was inhibited by rigid on-premises data center deployments. In addition, IT teams were burdened by the overhead of maintaining legacy systems. IFFCO wanted to apply the elasticity and availability of cloud for improving overall performance of applications at lowest possible operational overhead.
Several technology systems and platforms in India’s agriculture ecosystem, including IFFCO’s, have become dependent and integrated with each other. For example, IFFCO’s core systems are linked to key government portals, such as a fertilizer management system, the E-wayBill system for transporting goods, and GST, the nation’s taxation platform. Given the connected ecosystem, IFFCO needed all its systems, consisting of 100+ applications, to be highly available. The COVID-19 pandemic further added the ambiguity to scale IT operations, but IFFCO’S IT team quickly realized that they could turn this challenge to an opportunity by using the potential of cloud computing to its maximum.
Lastly, IFFCO needed to provide the benefits of its technology to all its stakeholders, including employees, members, transporters, and farmers, some of whom have limited literacy. To accommodate all stakeholders, IFFCO wanted to add a voice interface to its applications.
Suite of Oracle products used
IFFCO has worked with Oracle for more than two decades on its critical applications and databases that enable business activities. All custom applications are deployed on Windows Server 2012 VMs comprising five WebLogic Servers and nine .NET Servers. In addition, IFFCO used IBM AIX P8 machines for running corporate, marketing, and ERP applications.
The following list includes the relevant OCI features, services, and tools that IFFCO utilizes:
- OCI Compute: OCI provides fast, flexible, and affordable compute capacity to fit any workload need from performant bare metal servers and virtual machines (VMs) to lightweight containers.
- Oracle Exadata Cloud service: Oracle Exadata Cloud service is the best place for customers to run Oracle Database workloads in the cloud. Dedicated X8M infrastructure is isolated from other users, allowing database teams to improve security, performance, and uptime for customer databases.
- Oracle E-Business Suite (EBS): An Oracle packaged application trusted by thousands of organizations around the world to run their key business operations like enterprise resource planning (ERP)
- Custom applications on OCI: Homegrown IT or departmental applications that support an organization’s unique business needs
- Oracle Digital Assistant: Oracle Digital Assistant is an AI service that offers prebuilt skills and templates to create conversational experiences for your business applications and customers through text, chat, and voice interfaces.
- OCI Load Balancing: OCI Flexible Load Balancing enables customers to distribute web requests across a fleet of servers or automatically route traffic across fault domains, availability domains, or regions, yielding high availability and fault tolerance for any application or data source.
- OCI Web Application Firewall (WAF): By combining threat intelligence with consistent rule enforcement on an Oracle flexible load balancer, OCI WAF strengthens defenses and protects internet-facing application servers and internal applications.
- OCI FastConnect: OCI FastConnect allows customers to connect directly to their OCI virtual cloud network (VCN) through dedicated, private, high-bandwidth connections.
Across five manufacturing plants, the organization has 100+ applications running on OCI, including Oracle E-Business Suite. IFFCO has replaced on-premises infrastructure with OCI, which provides better availability, security and scalability.
Migration path and Oracle solution
IFFCO uses several Oracle products for its business operations, including Oracle E-Business Suite, eVikas CRM, and several other custom applications for procurement, supply chain management, and HR management. The deployment consists of two OCI regions in India: Mumbai and Hyderabad.
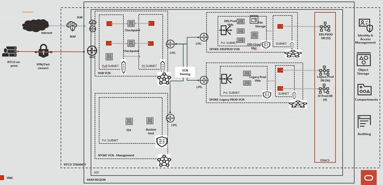
As shown in the following figure, IFFCO started on-premises and participated in a proof-of-concept (PoC) deployment with OCI. After successful validation, the organization migrated all its workloads to the cloud.
The cloud deployment is in a hub-and-spoke model. The Mumbai region acts as the hub for all other plant infrastructure. The Mumbai region hub is connected to on-premises infrastructure using FastConnect, which provides low-latency data transfers over a dedicated and secure network path. As shown in the following figure, the Mumbai region hosts the production environment of legacy applications and E-Business Suite.
OCI WAF provides security to traffic following over the internet. All incoming traffic is sent to the public subnet and the Check Point layer-7 firewall. IFFCO preferred to use separate VCNs for better isolation, more control, and reduced impact radius if a security breach occurs. EBS supports business processes and financial reporting. Exadata is used to host databases for EBS and legacy apps.
The disaster recovery site in the Hyderabad region provides active-active disaster recovery. If a failure occurs in the Mumbai region, applications continue to run in the disaster recovery site without disruption. This disaster recovery site is used for both legacy applications and E-Business Suite and hosts nonproduction environments, developer and Test. The OCI Lift services team ensured that IFFCO had a smooth migration and deployment. The team also conducted multiple workshops to enable IFFCO successfully run workloads on OCI but also assisted with planning and designing a flexible and scalable networking architecture based on hub-and-spoke model for production, non-production, and disaster recovery environments for Windows-based legacy applications, Oracle EBS, and Exadata on OCI.
The results
IFFCO’s complete migration to OCI was completed in 57 hours for EBS and 33 hours for custom applications. The total time to migrate workloads bettered by six hours than the estimates.
OCI has improved IFFCO’s business agility through better management of IT, faster performance, and enhanced security. Overall performance has improved 2–7 times, enabling teams to do more in less time. For example, the business development team can generate time-bound reports significantly faster than before. Automatic scale-up during month-end and year-end peak loads simplifies cloud management further.
“The board, management, and our stakeholders are very confident that IFFCO has a robust IT system, one that operates around the clock, pandemic or not,” said A.K. Gupta, director of IFFCO, “And that system is powered by Oracle.”
Innovation roadmap
IFFCO aims to shape the future of the Indian agriculture industry with a technology-first approach. As nano urea adoption increases dramatically during the upcoming year, the organization wants to use Oracle’s capabilities to support its new manufacturing plants with 100% uptime. As part of the nano urea initiative, it plans to use drones and affordable and energy-efficient technology for farmers to improve crop yields. It’s also looking to expand two other digital initiatives: IFFCO BAZAR, an e-commerce and communication portal, and IFFCOYuva, a skill development and employment venture.
To learn more about Oracle Cloud Infrastructure and IFFCO, see the following resources:

